碟形彈簧墊圈 NFE25510 - 碗形墊圈
深圳市法士威精密零件有限公司
一種與配合螺栓使用的高張力防松墊圈,適用于高強度的硬連接部位。
品牌:法士威
名稱:碟形彈簧墊圈 NFE25510
主要材質:S60C.65Mn或SUS304.316(A2.A4)及其他特殊定制材料。
表面處理:不銹鋼硬化拋光本色或彈簧鋼磷化黑,機械鍍鋅,鍍鎳,達克羅涂層處理。(制造要求:42-52HRC)
常用規格:M5,M6,M8,M10,M12,M14,M16,M18,M20等。

![]() | 碟形墊圈也叫碗形墊圈、錐形墊圈等,錐形設計,硬化有良好的彈性功能,應用于有運動負載的機械設備工業領域。碟形彈簧墊圈屬于安全緊固件類別,因此對專業制造能力要求較高,需要做靜態負負載承壓測試! 碟形墊圈用途廣泛,一種與配合螺栓使用的高張力防松墊圈,適用于高強度的硬連接部位,碟形墊圈的制造與應用受到許多條件的影響,需要科學的了解,否則很難達到安全功能! 優點及特點:高軸向載荷、高疲勞壽命、高載荷落差(因溫差引起)補償、有效降低動載荷的負面影響、防松鎖緊、彈性高,載荷集中均勻,安全度高。 制造執行標準:符合NFE25510與DIN6796-HS標準。規格:M5-M20型號,也可提供訂制服務主要材質有S60C,60Si2mn,51crav4及特殊合金材質,鹽浴硬化,表面處理為磷化黑,機械鋅,達克羅涂層等!不提供化學電鍍處理!多數情況下標準型碟形彈簧墊圈并不能完全滿足用戶要求,通過計算與適當調整來獲得理想的訂制功能! 產品應用領域:本產品現廣泛應用于電器,電梯,電塔,機械設備,醫用機械產品配套上,是一款碟型改良緊固件產品,質量符合德標DIN6796碟形彈簧標準。 |


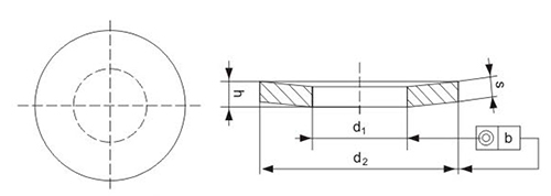
碟形彈簧墊圈 NFE25510 尺寸示意圖



![]() | ![]() | ![]() | ![]() |
汽車行業 AUTOMOBILE INDUSTRY | 機械行業 MACHINERY INDUSTRY | 電子行業 ELECTRONIC INDUSTRY | 建筑行業 ACHITECHIVE |

![]() | ![]() |



