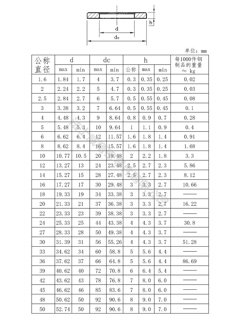
GB848小平墊片 碳鋼鍍鋅小平墊圈
深圳市法士威精密零件有限公司


品牌:法士威
名稱:GB848碳鋼小平墊
標準:GB848
材質:碳鋼
作用:
平墊,主要是用鐵板沖壓出來的,形狀一般是一個平墊圈,中間有一個孔。這個孔大小規格一般都是根據客戶要求來定的。
平墊圈通常是各種形狀的薄件,用于減少摩擦、防止泄漏、隔離、防止松脫或分散壓力。 許多材料和結構中都有這種部件,用于履行各類相似的功效。受螺紋緊固件的材料與工藝限制,螺栓等緊固件的支承面不大,因此為減小承壓面的壓應力保護被連接件的表面,其采用墊圈。 為防止連接副的松動采用防松的彈簧墊圈和多齒形鎖緊墊圈、圓螺母止動墊圈以及鞍形、波形、錐形彈性墊圈。
平墊圈主要用于減小壓強,當有的部位擰緊軸向力很大時,易使墊圈壓成碟形,這時可改用材料和提高硬度來解決。



![]() | ![]() | ![]() | ![]() |



![]() | ![]() | ![]() | ![]() |
汽車行業 AUTOMOBILE INDUSTRY | 機械行業 MACHINERY INDUSTRY | 電子行業 ELECTRONIC INDUSTRY | 建筑行業 ACHITECHIVE |

![]() | ![]() |



